
В этой статье представлен стандарт ASME B16.9 для тройник под стыковую сварку, как прямых, так и переходных. Все приведенные ниже размеры взяты непосредственно из действующих таблиц ASME B16.9.
Стандарт ASME B16.9 «Кованые фитинги для стыковой сварки заводского изготовления». Этот стандарт, разработанный Американским обществом инженеров-механиков, обеспечивает совместимость, безопасность и надежность в таких отраслях, как нефтегазовая промышленность, химическая переработка, энергетика и водоподготовка.
Он распространяется на фитинги с номинальным диаметром трубы (NPS) от ½ дюйма до 48 дюймов (от DN 15 до DN 1200) и охватывает размеры, допуски, номинальные давления, испытания и требования к маркировке.

ASME B16.9 охватывает широкий ассортимент фитингов для стыковой сварки, включая:
Отвод: Отводы с большим (LR) и малым (SR) радиусом для изменения направления потока.
Тройник: Прямые и редукционные тройники для разветвлений трубопроводов.
Переход: Концентрические и эксцентрические переход для соединения труб разных диаметров.
Заглушки: Используются для герметизации торца трубопровода.
Заглушка приварная: Используются с фланцами внахлест для систем, требующих разборки.
Эти фитинги привариваются непосредственно к трубопроводу, создавая герметичное соединение. Стандарт содержит требования как к бесшовным, так и к сварным фитингам с толщиной стенки, соответствующей общепринятым сортаментам труб.
ASME B16.9 охватывает бесшовные и сварные, кованые, равнопроходные и переходные тройник с номинальным размером трубы от ½ дюйма до 48 дюймов.
Все тройник, соответствующие стандарту B16.9, имеют только удлиненную конструкцию; тройники с коротким радиусом в данном стандарте не предусмотрены.
Стандарт определяет:
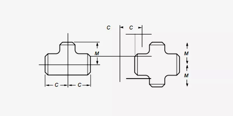
Равнопроходной тройни (прямой): ответвление и отвод имеют одинаковые диаметры.
Переходной тройни: отвод меньше ответвления.
Крестовины имеют те же размеры, что и тройники.

| НПС | ДН | Внешний диаметр на скосе (мм) | Расстояние от центра до конца (М) / Отверстие выхода (С) (мм) | Расстояние от центра до конца (дюймы, номинальное) |
| ½ | 15 | 21.3 | 25 | 1 |
| ¾ | 20 | 26.7 | 29 | 1.12 |
| 1 | 25 | 33.4 | 38 | 1.5 |
| 1¼ | 32 | 42.2 | 48 | 1.88 |
| 1½ | 40 | 48.3 | 57 | 2.25 |
| 2 | 50 | 60.3 | 76 | 3 |
| 2½ | 65 | 73.0 | 95 | 3.75 |
| 3 | 80 | 88.9 | 114 | 4.5 |
| 3½ | 90 | 101.6 | 133 | 5.25 |
| 4 | 100 | 114.3 | 152 | 6 |
| 5 | 125 | 141.3 | 190 | 7.5 |
| 6 | 150 | 168.3 | 229 | 9 |
| 8 | 200 | 219.1 | 305 | 12 |
| 10 | 250 | 273.0 | 381 | 15 |
| 12 | 300 | 323.8 | 457 | 18 |
| 14 | 350 | 355.6 | 533 | 21 |
| 16 | 400 | 406.4 | 610 | 24 |
| 18 | 450 | 457.2 | 686 | 27 |
| 20 | 500 | 508.0 | 762 | 30 |
| 22 | 550 | 559 | 838 | 33 |
| 24 | 600 | 610 | 914 | 36 |
| 26 | 650 | 660 | 991 | 39 |
| 28 | 700 | 711 | 1067 | 42 |
| 30 | 750 | 762 | 1143 | 45 |
| 32 | 800 | 813 | 1219 | 48 |
| 34 | 850 | 864 | 1295 | 51 |
| 36 | 900 | 914 | 1372 | 54 |
| 38 | 950 | 965 | 1448 | 57 |
| 40 | 1000 | 1016 | 1524 | 60 |
| 42 | 1050 | 1067 | 1600 | 63 |
| 44 | 1100 | 1118 | 1676 | 66 |
| 46 | 1150 | 1168 | 1753 | 69 |
| 48 | 1200 | 1219 | 1829 | 72 |
Примечание: Размеры указаны в миллиметрах. Для размеров более NPS 24 дюйма размеры и допуски указаны в стандарте и обычно изготавливаются сварными фитингами.
| Размер | Допуск |
| Расстояние от центра до конца (C, M) – NPS ½–8 | ± 2 мм |
| Расстояние от центра до конца (C, M) – NPS 10–18 | ± 3 мм |
| Расстояние от центра до конца (C, M) – NPS 20–24 | ± 4 мм |
| Расстояние от центра до конца (C, M) – NPS 26–30 | ± 5 мм |
| Расстояние от центра до конца (C, M) – NPS 32–42 | ± 6 мм |
| Расстояние от центра до конца (C, M) – NPS 44–48 | ± 7 мм |
| Общая длина переходных тройников | Те же допуски, что и выше, применяются к M и C |
| Внутренний диаметр на скосе | +1,6 мм / −0,8 мм |
| Толщина стенки на скосе | Не менее 87,5% от номинальной толщины стенки трубы |

| Номинальный размер трубы
(NPS) |
ДН | Внешний диаметр на скосе | Центр-конец | ||
| Бегать | Выход | Беги, С | Выход, М [Примечание (1)] | ||
| 1/2 x 1/2 x 3/8 | 15 × 15 × 10 | 21.3 | 17.3 | 25 | 25 |
| 1/2 x1/2 x 1/4 | 15 × 15 × 8 | 21.3 | 13.7 | 25 | 25 |
| 3/4 x 3/4 x1/2 | 20 × 20 × 15 | 26.7 | 21.3 | 29 | 29 |
| 3/4 x 3/4 x 3/8 | 20 × 20 × 10 | 26.7 | 17.3 | 29 | 29 |
| 1 × 1 x 3/4 | 25 × 25 × 20 | 33.4 | 26.7 | 38 | 38 |
| 1 × 1 x 1/2 | 25 × 25 × 15 | 33.4 | 21.3 | 38 | 38 |
| 1 1/4 x 1 1/4 × 1 | 32 × 32 × 25 | 42.2 | 33.4 | 48 | 48 |
| 1 1/4 × 1 1/4 × 3/4 | 32 × 32 × 20 | 42.2 | 26.7 | 48 | 48 |
| 1 1/4 x 1 1/4 x 1/2 | 32 × 32 × 15 | 42.2 | 21.3 | 48 | 48 |
| 1 1/2 x 1 1/2 x 1/4 | 40 × 40 × 32 | 48.3 | 42.2 | 57 | 57 |
| 1 1/2 x 1 1/2 × 1 | 40 × 40 × 25 | 48.3 | 33.4 | 57 | 57 |
| 1 1/2 x 1 1/2 x 3/4 | 40 × 40 × 20 | 48.3 | 26.7 | 57 | 57 |
| 1 1/2 x 1 1/2x 1/2 | 40 × 40 × 15 | 48.3 | 21.3 | 57 | 57 |
| 2 × 2 × 1 1/2 | 50 × 50 × 40 | 60.3 | 48.3 | 64 | 60 |
| 2 × 2 × 1 1/4 | 50 × 50 × 32 | 60.3 | 42.2 | 64 | 57 |
| 2 × 2 × 1 | 50 × 50 × 25 | 60.3 | 33.4 | 64 | 51 |
| 2 × 2 × 3/4 | 50 × 50 × 20 | 60.3 | 26.7 | 64 | 44 |
| 2 1/2 x 2 1/2 × 2 | 65 × 65 × 50 | 73 | 60.3 | 76 | 70 |
| 2 1/2 x 2 1/2 x 1 1/2 | 65 × 65 × 40 | 73 | 48.3 | 76 | 67 |
| 2 1/2 × 2 1/2 × 1 1/4 | 65 × 65 × 32 | 73 | 42.2 | 76 | 64 |
| 2 1/2 × 2 1/2 × 1 | 65 × 65 × 25 | 73 | 33.4 | 76 | 57 |
| 3 × 3 × 2 1/2 | 80 × 80 × 65 | 88.9 | 73 | 86 | 83 |
| 3 × 3 × 2 | 80 × 80 × 50 | 88.9 | 60.3 | 86 | 76 |
| 3 × 3 × 1 1/2 | 80 × 80 × 40 | 88.9 | 48.3 | 86 | 73 |
| 3 × 3 × 1 1/4 | 80 × 80 × 32 | 88.9 | 42.2 | 86 | 70 |
| 3 1/2 x 3 1/2 × 3 | 90 × 90 × 80 | 101.6 | 88.9 | 95 | 92 |
| 3 1/2 × 3 1/2 × 2 1/2 | 90 × 90 × 65 | 101.6 | 73 | 95 | 89 |
| 3 1/2 × 3 1/2 × 2 | 90 × 90 × 50 | 101.6 | 60.3 | 95 | 83 |
| 3 1/2 × 3 1/2 × 1 1/2 | 90 × 90 × 40 | 101.6 | 48.3 | 95 | 79 |
| 4 × 4 × 3 1/2 | 100 × 100 × 90 | 114.3 | 101.6 | 105 | 102 |
| 4 × 4 × 3 | 100 × 100 × 80 | 114.3 | 88.9 | 105 | 98 |
| 4 × 4 × 2 1/2 | 100 × 100 × 65 | 113.3 | 73 | 105 | 95 |
| 4 × 4 × 2 | 100 × 100 × 50 | 114.3 | 60.3 | 105 | 89 |
| 4 × 4 × 1 1/2 | 100 × 100 × 40 | 114.3 | 48.3 | 105 | 86 |
| 5 × 5 × 4 | 125 × 125 × 100 | 141.3 | 114.3 | 125 | 117 |
| 5 × 5 × 3 1/2 | 125 × 125 × 90 | 141.3 | 101.6 | 124 | 114 |
| 5 × 5 × 3 | 125 × 125 × 80 | 141.3 | 88.9 | 124 | 111 |
| 5 × 5 × 2 1/2 | 125 × 125 × 65 | 141.3 | 73 | 124 | 108 |
| 5 × 5 × 2 | 125 × 125 × 50 | 141.3 | 60.3 | 124 | 105 |
| 6 × 6 × 5 | 150 × 150 × 125 | 168.3 | 141.3 | 143 | 137 |
| 6 × 6 × 4 | 150 × 150 × 100 | 168.3 | 114.3 | 143 | 130 |
| 6 × 6 × 3 1/2 | 150 × 150 × 90 | 168.3 | 101.6 | 143 | 127 |
| 6 × 6 × 3 | 150 × 150 × 80 | 168.3 | 88.9 | 143 | 124 |
| 6 × 6 × 2 1/2 | 150 × 150 × 65 | 168.3 | 73 | 143 | 121 |
| 8 × 8 × 6 | 200 × 200 × 150 | 219.1 | 168.3 | 178 | 168 |
| 8 × 8 × 5 | 200 × 200 × 125 | 219.1 | 141.3 | 178 | 162 |
| 8 × 8 × 4 | 200 × 200 × 100 | 219.1 | 114.3 | 178 | 156 |
| 8 × 8 × 3 1/2 | 200 × 200 × 90 | 219.1 | 101.6 | 178 | 152 |
| 10 × 10 × 8 | 250 × 250 × 200 | 273 | 219.1 | 216 | 203 |
| 10 × 10 × 6 | 250 × 250 × 150 | 273 | 168.3 | 216 | 194 |
| 10 × 10 × 5 | 250 × 250 × 125 | 273 | 141.3 | 216 | 191 |
| 10 × 10 × 4 | 250 × 250 × 100 | 273 | 114.3 | 216 | 184 |
| 12 × 12 × 10 | 300 × 300 × 250 | 323.8 | 273 | 254 | 241 |
| 12 × 12 × 8 | 300 × 300 × 200 | 323.8 | 219.1 | 254 | 229 |
| 12 × 12 × 6 | 300 × 300 × 150 | 323.8 | 168.3 | 254 | 219 |
| 12 × 12 × 5 | 300 × 300 × 125 | 323.8 | 141.3 | 254 | 216 |
| 14 × 14 × 12 | 350 × 350 × 300 | 355.6 | 323.8 | 279 | 270 |
| 14 × 14 × 10 | 350 × 350 × 250 | 355.6 | 273 | 279 | 257 |
| 14 × 14 × 8 | 350 × 350 × 200 | 355.6 | 219.1 | 279 | 248 |
| 14 × 14 × 6 | 350 × 350 × 150 | 355.6 | 168.3 | 279 | 238 |
| 16 × 16 × 14 | 400 × 400 × 350 | 406.4 | 355.6 | 305 | 305 |
| 16 × 16 × 12 | 400 × 400 × 300 | 406.4 | 323.8 | 305 | 295 |
| 16 × 16 × 10 | 400 × 400 × 250 | 406.4 | 273 | 305 | 283 |
| 16 × 16 × 8 | 400 × 400 × 200 | 406.4 | 219.1 | 305 | 273 |
| 16 × 16 × 6 | 400 × 400 × 150 | 406.4 | 168.3 | 305 | 264 |
| 18 × 18 × 16 | 450 × 450 × 400 | 457 | 406.4 | 343 | 330 |
| 18 × 18 × 14 | 450 × 450 × 350 | 457 | 355.6 | 343 | 330 |
| 18 × 18 × 12 | 450 × 450 × 300 | 457 | 323.8 | 343 | 321 |
| 18 × 18 × 10 | 450 × 450 × 250 | 457 | 273 | 343 | 308 |
| 18 × 18 × 8 | 450 × 450 × 200 | 457 | 219.1 | 343 | 298 |
| 20 × 20 × 18 | 500 × 500 × 450 | 508 | 457 | 381 | 368 |
| 20 × 20 × 16 | 500 × 500 × 400 | 508 | 406.4 | 381 | 356 |
| 20 × 20 × 14 | 500 × 500 × 350 | 508 | 355.6 | 381 | 356 |
| 20 × 20 × 12 | 500 × 500 × 300 | 508 | 323.8 | 381 | 346 |
| 20 × 20 × 10 | 500 × 500 × 250 | 508 | 273 | 381 | 333 |
| 20 × 20 × 8 | 500 × 500 × 200 | 508 | 219.1 | 381 | 324 |
| 22 × 22 × 20 | 550 × 550 × 500 | 559 | 508 | 419 | 406 |
| 22 × 22 × 18 | 550 × 550 × 450 | 559 | 457 | 419 | 394 |
| 22 × 22 × 16 | 550 × 550 × 400 | 559 | 406.4 | 419 | 381 |
| 22 × 22 × 14 | 550 × 550 × 350 | 559 | 355.6 | 419 | 381 |
| 22 × 22 × 12 | 550 × 550 × 300 | 559 | 323.8 | 419 | 371 |
| 22 × 22 × 10 | 550 × 550 × 250 | 559 | 273 | 419 | 359 |
| 24 × 24 × 22 | 600 × 600 × 550 | 610 | 559 | 432 | 432 |
| 24 × 24 × 20 | 600 × 600 × 500 | 610 | 508 | 432 | 432 |
| 24 × 24 × 18 | 600 × 600 × 450 | 610 | 457 | 432 | 419 |
| 24 × 24 × 16 | 600 × 600 × 400 | 610 | 406.4 | 432 | 406 |
| 24 × 24 × 14 | 600 × 600 × 350 | 610 | 355.6 | 432 | 406 |
| 24 × 24 × 12 | 600 × 600 × 300 | 610 | 323.8 | 432 | 397 |
| 24 × 24 × 10 | 600 × 600 × 250 | 610 | 273 | 432 | 384 |
| 26 × 26 × 24 | 650 × 650 × 600 | 660 | 610 | 495 | 483 |
| 26 × 26 × 22 | 650 × 650 × 550 | 660 | 559 | 495 | 470 |
| 26 × 26 × 20 | 650 × 650 × 550 | 660 | 508 | 495 | 457 |
| 26 × 26 × 18 | 650 × 650 × 450 | 660 | 457 | 495 | 444 |
| 26 × 26 × 16 | 650 × 650 × 400 | 660 | 406.4 | 495 | 432 |
| 26 × 26 × 14 | 650 × 650 × 350 | 660 | 355.6 | 495 | 432 |
| 26 × 26 × 12 | 650 × 650 × 300 | 660 | 323.8 | 495 | 422 |
| 28 × 28 × 26 | 700 × 700 × 650 | 711 | 660 | 521 | 521 |
| 28 × 28 × 24 | 700 × 700 × 600 | 711 | 610 | 521 | 508 |
| 28 × 28 × 22 | 700 × 700 × 550 | 711 | 559 | 521 | 495 |
| 28 × 28 × 20 | 700 × 700 × 500 | 711 | 508 | 521 | 483 |
| 28 × 28 × 18 | 700 × 700 × 450 | 711 | 457 | 521 | 470 |
| 28 × 28 × 16 | 700 × 700 × 400 | 711 | 406.4 | 521 | 457 |
| 28 × 28 × 14 | 700 × 700 × 350 | 711 | 355.6 | 521 | 457 |
| 28 × 28 × 12 | 700 × 700 × 300 | 711 | 323.8 | 521 | 448 |
| 30 × 30 × 28 | 750 × 750 × 700 | 762 | 711 | 559 | 546 |
| 30 × 30 × 26 | 750 × 750 × 650 | 762 | 660 | 559 | 546 |
| 30 × 30 × 24 | 750 × 750 × 600 | 762 | 610 | 559 | 533 |
| 30 × 30 × 22 | 750 × 750 × 550 | 762 | 559 | 559 | 521 |
| 30 × 30 × 20 | 750 × 750 × 500 | 762 | 508 | 559 | 508 |
| 30 × 30 × 18 | 750 × 750 × 450 | 762 | 457 | 559 | 495 |
| 30 × 30 × 16 | 750 × 750 × 400 | 762 | 406.4 | 559 | 483 |
| 30 × 30 × 14 | 750 × 750 × 350 | 762 | 355.6 | 559 | 483 |
| 30 × 30 × 12 | 750 × 750 × 300 | 762 | 323.8 | 559 | 473 |
| 30 × 30 × 10 | 750 × 750 × 250 | 762 | 273 | 559 | 460 |
| 32 × 32 × 30 | 800 × 800 × 750 | 813 | 762 | 597 | 584 |
| 32 × 32 × 28 | 800 × 800 × 700 | 813 | 711 | 597 | 572 |
| 32 × 32 × 26 | 800 × 800 × 650 | 813 | 660 | 597 | 572 |
| 32 × 32 × 24 | 800 × 800 × 600 | 813 | 610 | 597 | 559 |
| 32 × 32 × 22 | 800 × 800 × 550 | 813 | 559 | 597 | 546 |
| 32 × 32 × 20 | 800 × 800 × 500 | 813 | 508 | 597 | 533 |
| 32 × 32 × 18 | 800 × 800 × 450 | 813 | 457 | 597 | 521 |
| 32 × 32 × 16 | 800 × 800 × 400 | 813 | 406.4 | 597 | 508 |
| 32 × 32 × 14 | 800 × 800 × 350 | 813 | 355.6 | 597 | 508 |
| 34 × 34 × 32 | 850 × 850 × 800 | 864 | 813 | 635 | 622 |
| 34 × 34 × 30 | 850 × 850 × 750 | 864 | 762 | 635 | 610 |
| 34 × 34 × 28 | 850 × 850 × 700 | 864 | 711 | 635 | 597 |
| 34 × 34 × 26 | 850 × 850 × 650 | 864 | 600 | 635 | 597 |
| 34 × 34 × 24 | 850 × 850 × 600 | 864 | 610 | 635 | 584 |
| 34 × 34 × 22 | 850 × 850 × 550 | 864 | 559 | 635 | 572 |
| 34 × 34 × 20 | 850 × 850 × 500 | 864 | 508 | 635 | 559 |
| 34 × 34 × 18 | 850 × 850 × 450 | 864 | 457 | 635 | 546 |
| 34 × 34 × 16 | 850 × 850 × 400 | 864 | 406.4 | 635 | 533 |
| 36 × 36 × 34 | 900 × 900 × 850 | 914 | 864 | 673 | 660 |
| 36 × 36 × 32 | 900× 900 × 800 | 914 | 813 | 673 | 648 |
| 36 × 36 × 30 | 900× 900 × 750 | 914 | 762 | 673 | 635 |
| 36 × 36 × 28 | 900× 900 × 700 | 914 | 711 | 673 | 622 |
| 36 × 36 × 26 | 900× 900 × 650 | 914 | 660 | 673 | 622 |
| 36 × 36 × 24 | 900× 900 × 600 | 914 | 610 | 673 | 610 |
| 36 × 36 × 22 | 900× 900 × 550 | 914 | 559 | 673 | 597 |
| 36 × 36 × 20 | 900× 900 × 500 | 914 | 508 | 673 | 584 |
| 36 × 36 × 18 | 900× 900 × 450 | 914 | 457 | 673 | 572 |
| 36 × 36 × 16 | 900× 900 × 400 | 914 | 406.4 | 673 | 559 |
| 38 × 38 × 36 | 950 × 950 × 900 | 965 | 914 | 711 | 711 |
| 38 × 38 × 34 | 950 × 950 × 850 | 965 | 864 | 711 | 698 |
| 38 × 38 × 32 | 950 × 950 × 800 | 965 | 813 | 711 | 686 |
| 38 × 38 × 30 | 950 × 950 × 750 | 965 | 762 | 711 | 673 |
| 38 × 38 × 28 | 950 × 950 × 700 | 965 | 711 | 711 | 648 |
| 38 × 38 × 26 | 950 × 950 × 650 | 965 | 660 | 711 | 648 |
| 38 × 38 × 24 | 950 × 950 × 600 | 965 | 610 | 711 | 635 |
| 38 × 38 × 22 | 950 × 950 × 550 | 965 | 559 | 711 | 622 |
| 38 × 38 × 20 | 950 × 950 × 500 | 965 | 508 | 711 | 610 |
| 38 × 38 × 18 | 950 × 950 × 450 | 965 | 457 | 711 | 597 |
| 40 × 40 × 38 | 1000 × 1000 × 950 | 1016 | 965 | 749 | 749 |
| 40 × 40 × 36 | 1000 × 1000 × 900 | 1016 | 914 | 749 | 737 |
| 40 × 40 × 34 | 1000 × 1000 × 850 | 1016 | 864 | 749 | 724 |
| 40 × 40 × 32 | 1000 × 1000 × 800 | 1016 | 813 | 749 | 711 |
| 40 × 40 × 30 | 1000 × 1000 × 750 | 1016 | 762 | 749 | 698 |
| 40 × 40 × 28 | 1000 × 1000 × 700 | 1016 | 711 | 749 | 673 |
| 40 × 40 × 26 | 1000 × 1000 × 650 | 1016 | 560 | 749 | 673 |
| 40 × 40 × 24 | 1000 × 1000 × 600 | 1016 | 610 | 749 | 660 |
| 40 × 40 × 22 | 1000 × 1000 × 550 | 1016 | 559 | 749 | 648 |
| 40 × 40 × 20 | 1000 × 1000 × 500 | 1016 | 508 | 749 | 635 |
| 40 × 40 × 18 | 1000 × 1000 × 450 | 1016 | 457 | 749 | 622 |
| 42 × 42 × 40 | 1050 × 1050 × 1000 | 1067 | 1016 | 762 | 711 |
| 42 × 42 × 38 | 1050 × 1050 × 950 | 1067 | 968 | 762 | 711 |
| 42 × 42 × 36 | 1050 × 1050 × 900 | 1067 | 914 | 762 | 711 |
| 42 × 42 × 34 | 1050 × 1050 × 850 | 1067 | 864 | 762 | 711 |
| 42 × 42 × 32 | 1050 × 1050 × 800 | 1067 | 813 | 762 | 711 |
| 42 × 42 × 30 | 1050 × 1050 × 750 | 1067 | 762 | 762 | 711 |
| 42 × 42 × 28 | 1050 × 1050 × 700 | 1067 | 711 | 762 | 698 |
| 42 × 42 × 26 | 1050 × 1050 × 650 | 1067 | 660 | 762 | 698 |
| 42 × 42 × 24 | 1050 × 1050 × 600 | 1067 | 610 | 762 | 660 |
| 42 × 42 × 22 | 1050 × 1050 × 550 | 1067 | 559 | 762 | 660 |
| 42 × 42 × 20 | 1050 × 1050 × 500 | 1067 | 508 | 762 | 660 |
| 42 × 42 × 18 | 1050 × 1050 × 450 | 1067 | 457 | 762 | 648 |
| 42 × 42 × 16 | 1050 × 1050 × 400 | 1067 | 406.4 | 762 | 635 |
| 44 × 44 × 42 | 1100 × 1100 × 1050 | 1118 | 1067 | 813 | 762 |
| 44 × 44 × 40 | 1100 × 1100 × 1000 | 1118 | 1016 | 813 | 749 |
ОБЩЕЕ ПРИМЕЧАНИЕ: Все размеры указаны в миллиметрах.
ПРИМЕЧАНИЕ:
(1) Размер выходного отверстия M для труб диаметром NPS 14 (DN 350) и более рекомендуется, но не является обязательным.
Тройник ASME B16.9 изготавливаются из широкого спектра материалов, соответствующих различным требованиям по давлению, температуре и коррозионной стойкости. Материал должен быть выбран в соответствии с типом подсоединяемого трубопровода.
Общие спецификации материалов включают:
Углеродистая сталь: ASTM A234 WPB
Нержавеющая сталь: ASTM A403 WP304/304L, 316/316L, 321, 347
Легированная сталь: ASTM A234 WP5, WP9, WP11, WP22, WP91
Низкотемпературная углеродистая сталь: ASTM A420 WPL3, WpL6
Дуплексная и супердуплексная сталь: ASTM A815 UNS S31803, S32205
При выборе тройник крайне важно указать правильный номинальный размер трубы, тип (равнопроходной или переходной) и требуемую спецификацию для соответствия характеристикам трубопровода.