В декабре 2025 года компания JN получила запрос от сотрудника по закупкам на аргентинской морской платформе. Аргентине требуется большое количество Шейный фланец, устойчивых к воздействию морской воды и сероводорода, для разработки нефтегазовых месторождений, в первую очередь для транспортировки нефти и природного газа, содержащих коррозионные вещества.



F53 (супердуплексная нержавеющая сталь UNS S32750) является критически важным компонентом трубопроводов для соединения трубопроводов, по которым транспортируются высококоррозионные среды, такие как системы опреснения морской воды, химические установки и оборудование, демонстрируя превосходную устойчивость к коррозионному растрескиванию под напряжением, точечной коррозии и щелевой коррозии в хлоридах.
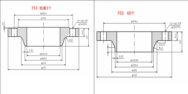
Шейный фланец, также известный как фланец с высокой ступицей или фланец с конической ступицей. Он представляет собой круглый диск с выступающим ободом по окружности, имеющий ряд просверленных отверстий для крепления болтами к другому фланцу или компоненту. Отличительной особенностью является его длинная, коническая ступица (или шейка), которая плавно переходит в форму, соответствующую толщине стенки трубы, что позволяет выполнить стыковое сварное соединение.
| Оценка | F53/UNS S32750 | |
| Шейный фланец | 14 дюймов 150FF | 69 шт. |
| 26 дюймов 150 RF | 3 шт. | |
| 18 дюймов 150LB | 10 шт. | |
| FF 6 дюймов 150LB | 42 шт. | |
| FF 20 дюймов 150LB | 15 шт. | |
| FF 14 дюймов 150LB | 14 шт. | |






Мы рады сообщить об успешной поставке 153 фланцев F53 (UNS S32750) с пШейный фланец нашему уважаемому партнеру в энергетическом секторе Аргентины. Этот заказ демонстрирует доверие мирового сообщества к качеству нашей продукции и опыту. Наш аргентинский клиент выбрал нашу продукцию по нескольким причинам.
Наши фланцы F53 поставляются с полной сертификацией материалов (включая сертификаты 3.1 Mill) и строгой отслеживаемостью по коду плавки, что соответствует жестким требованиям международных проектов в нефтегазовой и химической отраслях, что является фундаментальным условием для обеспечения безопасности эксплуатации и соответствия требованиям аудита нашего клиента.
Дуплексная нержавеющая сталь F53 (S32750) обладает исключительной коррозионной стойкостью и высокой прочностью, особенно подходящей для морских работ и сред с высоким давлением и высоким содержанием хлоридов. Наш заказчик требовал фланцы, которые могли бы гарантировать десятилетия бесперебойной работы, минимизируя затраты на протяжении всего жизненного цикла.
Каждый фланец изготавливается в соответствии со стандартами ASME/ANSI B16.5 и другими соответствующими стандартами с использованием станков с ЧПУ, что обеспечивает идеальную точность размеров, чистоту поверхности и соосность отверстий.
Благодаря интеграции передовых производственных процессов со строгим внутренним контролем качества, мы предлагаем лучшие в отрасли фланцы, обеспечивающие превосходное соотношение цены и качества. Наш заказчик оценил, что наша продукция обеспечивает высокое качество без наценки, гарантируя жизнеспособность проекта.
Это партнерство с Аргентиной подтверждает наше стремление удовлетворять глобальные потребности надежными, сертифицированными и высокопроизводительными компонентами трубопроводов. Мы — ваш надежный партнер в области специализированных решений для фланцев.
Свяжитесь с нами сегодня, чтобы обсудить требования вашего проекта.