В этом блоге мы рассмотрим размеры тройник сталь переходной и крестовина в соответствии со стандартом ASME B16.9.

Тройник сталь переходной, часто называемый «редукционным тройником», представляет собой трехходовой фитинг для труб, имеющий форму буквы «Т». Его ключевая особенность заключается в том, что диаметр ответвления меньше, чем диаметр двух основных патрубков. Основной патрубок обычно соответствует размеру магистрального трубопровода, а меньшее ответвление используется для отвода потока во вспомогательную линию.
Функция: Эффективное отведение или объединение потока из основной линии во вспомогательную линию меньшего диаметра, сохраняя при этом размер основного трубопровода. Это позволяет избежать ненужного уменьшения диаметра основной линии, экономя пространство, вес и затраты.

Типичные области применения:
Ответвления для контрольно-измерительных приборов (манометры, датчики).
Ответвление меньшей технологической линии от большого магистрального трубопровода.
Подключение оборудования с разными размерами входных/выходных патрубков.
Дренажные или вентиляционные соединения на трубах большего диаметра.
Крестовина сталь переходные (или «редукционный крест») представляет собой четырехходовой фитинг, имеющий форму знака плюс (+). В этой конфигурации один или несколько из четырех патрубков имеют другой (меньший) номинальный диаметр, чем основной трубопровод. Наиболее распространенные типы:
Один редукционный патрубок: Ответвление на одной оси имеет меньший диаметр.
Два редукционных патрубка на одной оси: Оба конца ответвления имеют меньший диаметр, в то время как основной трубопровод имеет полный размер.
Два редукционных патрубка на противоположных осях: Более сложное распределение потока.
Функция: Соединение четырех труб, обеспечивающее поток в нескольких направлениях, где по крайней мере один поток требует изменения диаметра трубы. Они используются в системах, требующих более сложного распределения, чем может обеспечить тройник.

Типичные области применения:
Сложные распределительные коллекторы в химической промышленности.
Магистрали спринклерных систем пожаротушения.
Пересечения в двухпроцессных линиях.
Специальные области применения в судостроении и энергетике.
Тройник сталь переходной и крестовина являются фитингами для сварки встык. Они привариваются непосредственно к трубе, создавая прочное, герметичное соединение, которое минимизирует турбулентность и падение давления по сравнению с резьбовыми или муфтовыми соединениями.
Стандарт ASME B16.9, озаглавленный «Фабрично изготовленные кованые фитинги для стыковой сварки», устанавливает номинальные значения давления и температуры, размеры, маркировку, материалы, допуски и требования к испытаниям для фитингов для стыковой сварки.
Впервые опубликованный в 1951 году и регулярно обновляемый, он охватывает фитинги от NPS 1/2 до NPS 48, включая тройники, крестовины, отводы, заглушки и переходники. Стандарт обеспечивает совместимость с трубами, соответствующими стандартам ASME B36.10M и ASME B36.19M.
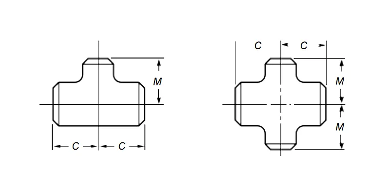
Для тройник сталь переходной и крестовина с уменьшенным выходным отверстием стандарт определяет наружные диаметры на скосе, размеры от центра до конца как для основной части (C), так и для ответвления (M), а также допуски. В качестве материалов обычно используются углеродистая сталь, легированная сталь и нержавеющая сталь таких марок, как 304, 316 и дуплексные варианты, поставкой которых мы специализируемся.
Важно отметить, что для крестовина сталь переходные применимы к размерам до NPS 24 включительно, а для больших размеров требуется индивидуальное проектирование. Допуски составляют ±1,6 мм для размеров до NPS 4 и увеличиваются для больших размеров, обеспечивая точную посадку.
Ниже приведена подробная тройник сталь переходной и крестовина с уменьшенным выходным отверстием по стандарту ASME B16.9.

| Номинальный размер трубы
(NPS) |
DN | Внешний диаметр на скосе
Выходное отверстие |
От центра до конца | ||
| Беги, С | Розетка, М [Примечание (1)] | ||||
| 1/2 x 1/2 x 3/8 | 15 × 15 × 10 | 21.3 | 17.3 | 25 | 25 |
| 1/2 x1/2 x 1/4 | 15 × 15 × 8 | 21.3 | 13.7 | 25 | 25 |
| 3/4 x 3/4 x1/2 | 20 × 20 × 15 | 26.7 | 21.3 | 29 | 29 |
| 3/4 x 3/4 x 3/8 | 20 × 20 × 10 | 26.7 | 17.3 | 29 | 29 |
| 1 × 1 x 3/4 | 25 × 25 × 20 | 33.4 | 26.7 | 38 | 38 |
| 1 × 1 x 1/2 | 25 × 25 × 15 | 33.4 | 21.3 | 38 | 38 |
| 1 1/4 x 1 1/4 × 1 | 32 × 32 × 25 | 42.2 | 33.4 | 48 | 48 |
| 1 1/4 × 1 1/4 × 3/4 | 32 × 32 × 20 | 42.2 | 26.7 | 48 | 48 |
| 1 1/4 x 1 1/4 x 1/2 | 32 × 32 × 15 | 42.2 | 21.3 | 48 | 48 |
| 1 1/2 x 1 1/2 x 1/4 | 40 × 40 × 32 | 48.3 | 42.2 | 57 | 57 |
| 1 1/2 x 1 1/2 × 1 | 40 × 40 × 25 | 48.3 | 33.4 | 57 | 57 |
| 1 1/2 x 1 1/2 x 3/4 | 40 × 40 × 20 | 48.3 | 26.7 | 57 | 57 |
| 1 1/2 x 1 1/2x 1/2 | 40 × 40 × 15 | 48.3 | 21.3 | 57 | 57 |
| 2 × 2 × 1 1/2 | 50 × 50 × 40 | 60.3 | 48.3 | 64 | 60 |
| 2 × 2 × 1 1/4 | 50 × 50 × 32 | 60.3 | 42.2 | 64 | 57 |
| 2 × 2 × 1 | 50 × 50 × 25 | 60.3 | 33.4 | 64 | 51 |
| 2 × 2 × 3/4 | 50 × 50 × 20 | 60.3 | 26.7 | 64 | 44 |
| 2 1/2 x 2 1/2 × 2 | 65 × 65 × 50 | 73 | 60.3 | 76 | 70 |
| 2 1/2 x 2 1/2 x 1 1/2 | 65 × 65 × 40 | 73 | 48.3 | 76 | 67 |
| 2 1/2 × 2 1/2 × 1 1/4 | 65 × 65 × 32 | 73 | 42.2 | 76 | 64 |
| 2 1/2 × 2 1/2 × 1 | 65 × 65 × 25 | 73 | 33.4 | 76 | 57 |
| 3 × 3 × 2 1/2 | 80 × 80 × 65 | 88.9 | 73 | 86 | 83 |
| 3 × 3 × 2 | 80 × 80 × 50 | 88.9 | 60.3 | 86 | 76 |
| 3 × 3 × 1 1/2 | 80 × 80 × 40 | 88.9 | 48.3 | 86 | 73 |
| 3 × 3 × 1 1/4 | 80 × 80 × 32 | 88.9 | 42.2 | 86 | 70 |
| 3 1/2 x 3 1/2 × 3 | 90 × 90 × 80 | 101.6 | 88.9 | 95 | 92 |
| 3 1/2 × 3 1/2 × 2 1/2 | 90 × 90 × 65 | 101.6 | 73 | 95 | 89 |
| 3 1/2 × 3 1/2 × 2 | 90 × 90 × 50 | 101.6 | 60.3 | 95 | 83 |
| 3 1/2 × 3 1/2 × 1 1/2 | 90 × 90 × 40 | 101.6 | 48.3 | 95 | 79 |
| 4 × 4 × 3 1/2 | 100 × 100 × 90 | 114.3 | 101.6 | 105 | 102 |
| 4 × 4 × 3 | 100 × 100 × 80 | 114.3 | 88.9 | 105 | 98 |
| 4 × 4 × 2 1/2 | 100 × 100 × 65 | 113.3 | 73 | 105 | 95 |
| 4 × 4 × 2 | 100 × 100 × 50 | 114.3 | 60.3 | 105 | 89 |
| 4 × 4 × 1 1/2 | 100 × 100 × 40 | 114.3 | 48.3 | 105 | 86 |
| 5 × 5 × 4 | 125 × 125 × 100 | 141.3 | 114.3 | 125 | 117 |
| 5 × 5 × 3 1/2 | 125 × 125 × 90 | 141.3 | 101.6 | 124 | 114 |
| 5 × 5 × 3 | 125 × 125 × 80 | 141.3 | 88.9 | 124 | 111 |
| 5 × 5 × 2 1/2 | 125 × 125 × 65 | 141.3 | 73 | 124 | 108 |
| 5 × 5 × 2 | 125 × 125 × 50 | 141.3 | 60.3 | 124 | 105 |
| 6 × 6 × 5 | 150 × 150 × 125 | 168.3 | 141.3 | 143 | 137 |
| 6 × 6 × 4 | 150 × 150 × 100 | 168.3 | 114.3 | 143 | 130 |
| 6 × 6 × 3 1/2 | 150 × 150 × 90 | 168.3 | 101.6 | 143 | 127 |
| 6 × 6 × 3 | 150 × 150 × 80 | 168.3 | 88.9 | 143 | 124 |
| 6 × 6 × 2 1/2 | 150 × 150 × 65 | 168.3 | 73 | 143 | 121 |
| 8 × 8 × 6 | 200 × 200 × 150 | 219.1 | 168.3 | 178 | 168 |
| 8 × 8 × 5 | 200 × 200 × 125 | 219.1 | 141.3 | 178 | 162 |
| 8 × 8 × 4 | 200 × 200 × 100 | 219.1 | 114.3 | 178 | 156 |
| 8 × 8 × 3 1/2 | 200 × 200 × 90 | 219.1 | 101.6 | 178 | 152 |
| 10 × 10 × 8 | 250 × 250 × 200 | 273 | 219.1 | 216 | 203 |
| 10 × 10 × 6 | 250 × 250 × 150 | 273 | 168.3 | 216 | 194 |
| 10 × 10 × 5 | 250 × 250 × 125 | 273 | 141.3 | 216 | 191 |
| 10 × 10 × 4 | 250 × 250 × 100 | 273 | 114.3 | 216 | 184 |
| 12 × 12 × 10 | 300 × 300 × 250 | 323.8 | 273 | 254 | 241 |
| 12 × 12 × 8 | 300 × 300 × 200 | 323.8 | 219.1 | 254 | 229 |
| 12 × 12 × 6 | 300 × 300 × 150 | 323.8 | 168.3 | 254 | 219 |
| 12 × 12 × 5 | 300 × 300 × 125 | 323.8 | 141.3 | 254 | 216 |
| 14 × 14 × 12 | 350 × 350 × 300 | 355.6 | 323.8 | 279 | 270 |
| 14 × 14 × 10 | 350 × 350 × 250 | 355.6 | 273 | 279 | 257 |
| 14 × 14 × 8 | 350 × 350 × 200 | 355.6 | 219.1 | 279 | 248 |
| 14 × 14 × 6 | 350 × 350 × 150 | 355.6 | 168.3 | 279 | 238 |
| 16 × 16 × 14 | 400 × 400 × 350 | 406.4 | 355.6 | 305 | 305 |
| 16 × 16 × 12 | 400 × 400 × 300 | 406.4 | 323.8 | 305 | 295 |
| 16 × 16 × 10 | 400 × 400 × 250 | 406.4 | 273 | 305 | 283 |
| 16 × 16 × 8 | 400 × 400 × 200 | 406.4 | 219.1 | 305 | 273 |
| 16 × 16 × 6 | 400 × 400 × 150 | 406.4 | 168.3 | 305 | 264 |
| 18 × 18 × 16 | 450 × 450 × 400 | 457 | 406.4 | 343 | 330 |
| 18 × 18 × 14 | 450 × 450 × 350 | 457 | 355.6 | 343 | 330 |
| 18 × 18 × 12 | 450 × 450 × 300 | 457 | 323.8 | 343 | 321 |
| 18 × 18 × 10 | 450 × 450 × 250 | 457 | 273 | 343 | 308 |
| 18 × 18 × 8 | 450 × 450 × 200 | 457 | 219.1 | 343 | 298 |
| 20 × 20 × 18 | 500 × 500 × 450 | 508 | 457 | 381 | 368 |
| 20 × 20 × 16 | 500 × 500 × 400 | 508 | 406.4 | 381 | 356 |
| 20 × 20 × 14 | 500 × 500 × 350 | 508 | 355.6 | 381 | 356 |
| 20 × 20 × 12 | 500 × 500 × 300 | 508 | 323.8 | 381 | 346 |
| 20 × 20 × 10 | 500 × 500 × 250 | 508 | 273 | 381 | 333 |
| 20 × 20 × 8 | 500 × 500 × 200 | 508 | 219.1 | 381 | 324 |
| 22 × 22 × 20 | 550 × 550 × 500 | 559 | 508 | 419 | 406 |
| 22 × 22 × 18 | 550 × 550 × 450 | 559 | 457 | 419 | 394 |
| 22 × 22 × 16 | 550 × 550 × 400 | 559 | 406.4 | 419 | 381 |
| 22 × 22 × 14 | 550 × 550 × 350 | 559 | 355.6 | 419 | 381 |
| 22 × 22 × 12 | 550 × 550 × 300 | 559 | 323.8 | 419 | 371 |
| 22 × 22 × 10 | 550 × 550 × 250 | 559 | 273 | 419 | 359 |
| 24 × 24 × 22 | 600 × 600 × 550 | 610 | 559 | 432 | 432 |
| 24 × 24 × 20 | 600 × 600 × 500 | 610 | 508 | 432 | 432 |
| 24 × 24 × 18 | 600 × 600 × 450 | 610 | 457 | 432 | 419 |
| 24 × 24 × 16 | 600 × 600 × 400 | 610 | 406.4 | 432 | 406 |
| 24 × 24 × 14 | 600 × 600 × 350 | 610 | 355.6 | 432 | 406 |
| 24 × 24 × 12 | 600 × 600 × 300 | 610 | 323.8 | 432 | 397 |
| 24 × 24 × 10 | 600 × 600 × 250 | 610 | 273 | 432 | 384 |
| 26 × 26 × 24 | 650 × 650 × 600 | 660 | 610 | 495 | 483 |
| 26 × 26 × 22 | 650 × 650 × 550 | 660 | 559 | 495 | 470 |
| 26 × 26 × 20 | 650 × 650 × 550 | 660 | 508 | 495 | 457 |
| 26 × 26 × 18 | 650 × 650 × 450 | 660 | 457 | 495 | 444 |
| 26 × 26 × 16 | 650 × 650 × 400 | 660 | 406.4 | 495 | 432 |
| 26 × 26 × 14 | 650 × 650 × 350 | 660 | 355.6 | 495 | 432 |
| 26 × 26 × 12 | 650 × 650 × 300 | 660 | 323.8 | 495 | 422 |
| 28 × 28 × 26 | 700 × 700 × 650 | 711 | 660 | 521 | 521 |
| 28 × 28 × 24 | 700 × 700 × 600 | 711 | 610 | 521 | 508 |
| 28 × 28 × 22 | 700 × 700 × 550 | 711 | 559 | 521 | 495 |
| 28 × 28 × 20 | 700 × 700 × 500 | 711 | 508 | 521 | 483 |
| 28 × 28 × 18 | 700 × 700 × 450 | 711 | 457 | 521 | 470 |
| 28 × 28 × 16 | 700 × 700 × 400 | 711 | 406.4 | 521 | 457 |
| 28 × 28 × 14 | 700 × 700 × 350 | 711 | 355.6 | 521 | 457 |
| 28 × 28 × 12 | 700 × 700 × 300 | 711 | 323.8 | 521 | 448 |
| 30 × 30 × 28 | 750 × 750 × 700 | 762 | 711 | 559 | 546 |
| 30 × 30 × 26 | 750 × 750 × 650 | 762 | 660 | 559 | 546 |
| 30 × 30 × 24 | 750 × 750 × 600 | 762 | 610 | 559 | 533 |
| 30 × 30 × 22 | 750 × 750 × 550 | 762 | 559 | 559 | 521 |
| 30 × 30 × 20 | 750 × 750 × 500 | 762 | 508 | 559 | 508 |
| 30 × 30 × 18 | 750 × 750 × 450 | 762 | 457 | 559 | 495 |
| 30 × 30 × 16 | 750 × 750 × 400 | 762 | 406.4 | 559 | 483 |
| 30 × 30 × 14 | 750 × 750 × 350 | 762 | 355.6 | 559 | 483 |
| 30 × 30 × 12 | 750 × 750 × 300 | 762 | 323.8 | 559 | 473 |
| 30 × 30 × 10 | 750 × 750 × 250 | 762 | 273 | 559 | 460 |
| 32 × 32 × 30 | 800 × 800 × 750 | 813 | 762 | 597 | 584 |
| 32 × 32 × 28 | 800 × 800 × 700 | 813 | 711 | 597 | 572 |
| 32 × 32 × 26 | 800 × 800 × 650 | 813 | 660 | 597 | 572 |
| 32 × 32 × 24 | 800 × 800 × 600 | 813 | 610 | 597 | 559 |
| 32 × 32 × 22 | 800 × 800 × 550 | 813 | 559 | 597 | 546 |
| 32 × 32 × 20 | 800 × 800 × 500 | 813 | 508 | 597 | 533 |
| 32 × 32 × 18 | 800 × 800 × 450 | 813 | 457 | 597 | 521 |
| 32 × 32 × 16 | 800 × 800 × 400 | 813 | 406.4 | 597 | 508 |
| 32 × 32 × 14 | 800 × 800 × 350 | 813 | 355.6 | 597 | 508 |
| 34 × 34 × 32 | 850 × 850 × 800 | 864 | 813 | 635 | 622 |
| 34 × 34 × 30 | 850 × 850 × 750 | 864 | 762 | 635 | 610 |
| 34 × 34 × 28 | 850 × 850 × 700 | 864 | 711 | 635 | 597 |
| 34 × 34 × 26 | 850 × 850 × 650 | 864 | 600 | 635 | 597 |
| 34 × 34 × 24 | 850 × 850 × 600 | 864 | 610 | 635 | 584 |
| 34 × 34 × 22 | 850 × 850 × 550 | 864 | 559 | 635 | 572 |
| 34 × 34 × 20 | 850 × 850 × 500 | 864 | 508 | 635 | 559 |
| 34 × 34 × 18 | 850 × 850 × 450 | 864 | 457 | 635 | 546 |
| 34 × 34 × 16 | 850 × 850 × 400 | 864 | 406.4 | 635 | 533 |
| 36 × 36 × 34 | 900 × 900 × 850 | 914 | 864 | 673 | 660 |
| 36 × 36 × 32 | 900× 900 × 800 | 914 | 813 | 673 | 648 |
| 36 × 36 × 30 | 900× 900 × 750 | 914 | 762 | 673 | 635 |
| 36 × 36 × 28 | 900× 900 × 700 | 914 | 711 | 673 | 622 |
| 36 × 36 × 26 | 900× 900 × 650 | 914 | 660 | 673 | 622 |
| 36 × 36 × 24 | 900× 900 × 600 | 914 | 610 | 673 | 610 |
| 36 × 36 × 22 | 900× 900 × 550 | 914 | 559 | 673 | 597 |
| 36 × 36 × 20 | 900× 900 × 500 | 914 | 508 | 673 | 584 |
| 36 × 36 × 18 | 900× 900 × 450 | 914 | 457 | 673 | 572 |
| 36 × 36 × 16 | 900× 900 × 400 | 914 | 406.4 | 673 | 559 |
| 38 × 38 × 36 | 950 × 950 × 900 | 965 | 914 | 711 | 711 |
| 38 × 38 × 34 | 950 × 950 × 850 | 965 | 864 | 711 | 698 |
| 38 × 38 × 32 | 950 × 950 × 800 | 965 | 813 | 711 | 686 |
| 38 × 38 × 30 | 950 × 950 × 750 | 965 | 762 | 711 | 673 |
| 38 × 38 × 28 | 950 × 950 × 700 | 965 | 711 | 711 | 648 |
| 38 × 38 × 26 | 950 × 950 × 650 | 965 | 660 | 711 | 648 |
| 38 × 38 × 24 | 950 × 950 × 600 | 965 | 610 | 711 | 635 |
| 38 × 38 × 22 | 950 × 950 × 550 | 965 | 559 | 711 | 622 |
| 38 × 38 × 20 | 950 × 950 × 500 | 965 | 508 | 711 | 610 |
| 38 × 38 × 18 | 950 × 950 × 450 | 965 | 457 | 711 | 597 |
| 40 × 40 × 38 | 1000 × 1000 × 950 | 1016 | 965 | 749 | 749 |
| 40 × 40 × 36 | 1000 × 1000 × 900 | 1016 | 914 | 749 | 737 |
| 40 × 40 × 34 | 1000 × 1000 × 850 | 1016 | 864 | 749 | 724 |
| 40 × 40 × 32 | 1000 × 1000 × 800 | 1016 | 813 | 749 | 711 |
| 40 × 40 × 30 | 1000 × 1000 × 750 | 1016 | 762 | 749 | 698 |
| 40 × 40 × 28 | 1000 × 1000 × 700 | 1016 | 711 | 749 | 673 |
| 40 × 40 × 26 | 1000 × 1000 × 650 | 1016 | 560 | 749 | 673 |
| 40 × 40 × 24 | 1000 × 1000 × 600 | 1016 | 610 | 749 | 660 |
| 40 × 40 × 22 | 1000 × 1000 × 550 | 1016 | 559 | 749 | 648 |
| 40 × 40 × 20 | 1000 × 1000 × 500 | 1016 | 508 | 749 | 635 |
| 40 × 40 × 18 | 1000 × 1000 × 450 | 1016 | 457 | 749 | 622 |
| 42 × 42 × 40 | 1050 × 1050 × 1000 | 1067 | 1016 | 762 | 711 |
| 42 × 42 × 38 | 1050 × 1050 × 950 | 1067 | 968 | 762 | 711 |
| 42 × 42 × 36 | 1050 × 1050 × 900 | 1067 | 914 | 762 | 711 |
| 42 × 42 × 34 | 1050 × 1050 × 850 | 1067 | 864 | 762 | 711 |
| 42 × 42 × 32 | 1050 × 1050 × 800 | 1067 | 813 | 762 | 711 |
| 42 × 42 × 30 | 1050 × 1050 × 750 | 1067 | 762 | 762 | 711 |
| 42 × 42 × 28 | 1050 × 1050 × 700 | 1067 | 711 | 762 | 698 |
| 42 × 42 × 26 | 1050 × 1050 × 650 | 1067 | 660 | 762 | 698 |
| 42 × 42 × 24 | 1050 × 1050 × 600 | 1067 | 610 | 762 | 660 |
| 42 × 42 × 22 | 1050 × 1050 × 550 | 1067 | 559 | 762 | 660 |
| 42 × 42 × 20 | 1050 × 1050 × 500 | 1067 | 508 | 762 | 660 |
| 42 × 42 × 18 | 1050 × 1050 × 450 | 1067 | 457 | 762 | 648 |
| 42 × 42 × 16 | 1050 × 1050 × 400 | 1067 | 406.4 | 762 | 635 |
| 44 × 44 × 42 | 1100 × 1100 × 1050 | 1118 | 1067 | 813 | 762 |
| 44 × 44 × 40 | 1100 × 1100 × 1000 | 1118 | 1016 | 813 | 749 |
| 44 × 44 × 38 | 1100 × 1100 × 950 | 1118 | 965 | 813 | 737 |
| 44 × 44 × 36 | 1100 × 1100 × 900 | 1118 | 914 | 813 | 724 |
| 44 × 44 × 34 | 1100 × 1100 × 850 | 1118 | 864 | 813 | 724 |
| 44 × 44 × 32 | 1100 × 1100 × 800 | 1118 | 813 | 813 | 711 |
| 44 × 44 × 30 | 1100 × 1100 × 750 | 1118 | 762 | 813 | 711 |
| 44 × 44 × 28 | 1100 × 1100 × 700 | 1118 | 711 | 813 | 698 |
| 44 × 44 × 26 | 1100 × 1100 × 650 | 1118 | 660 | 813 | 698 |
| 44 × 44 × 24 | 1100 × 1100 × 600 | 1118 | 610 | 813 | 698 |
| 44 × 44 × 22 | 1100 × 1100 × 550 | 1118 | 559 | 813 | 686 |
| 44 × 44 × 20 | 1100 × 1100 × 500 | 1118 | 508 | 813 | 686 |
| 46 × 46 × 44 | 1150 × 1150 × 1100 | 1168 | 1118 | 851 | 800 |
| 46 × 46 × 42 | 1150 × 1150 × 1050 | 1168 | 1067 | 851 | 787 |
| 46 × 46 × 40 | 1150 × 1150 × 1000 | 1168 | 1016 | 851 | 775 |
| 46 × 46 × 38 | 1150 × 1150 × 950 | 1168 | 965 | 851 | 762 |
| 46 × 46 × 36 | 1150 × 1150 × 900 | 1168 | 914 | 851 | 762 |
| 46 × 46 × 34 | 1150 × 1150 × 850 | 1168 | 864 | 851 | 749 |
| 46 × 46 × 32 | 1150 × 1150 × 800 | 1168 | 813 | 851 | 749 |
| 46 × 46 × 30 | 1150 × 1150 × 750 | 1168 | 762 | 851 | 737 |
| 46 × 46 × 28 | 1150 × 1150 × 700 | 1168 | 711 | 851 | 737 |
| 46 × 46 × 26 | 1150 × 1150 × 650 | 1168 | 660 | 851 | 737 |
| 46 × 46 × 24 | 1150 × 1150 × 600 | 1168 | 610 | 851 | 724 |
| 46 × 46 × 22 | 1150 × 1150 × 550 | 1168 | 559 | 851 | 724 |
| 48 × 48 × 46 | 1200 × 1200 × 1150 | 1219 | 1168 | 889 | 838 |
| 48 × 48 × 44 | 1200 × 1200 × 1100 | 1219 | 1118 | 889 | 838 |
| 48 × 48 × 42 | 1200 × 1200 × 1050 | 1219 | 1067 | 889 | 813 |
| 48 × 48 × 40 | 1200 × 1200 × 1000 | 1219 | 1016 | 889 | 813 |
| 48 × 48 × 38 | 1200 × 1200 × 950 | 1219 | 965 | 889 | 813 |
| 48 × 48 × 36 | 1200 × 1200 × 900 | 1219 | 914 | 889 | 787 |
| 48 × 48 × 34 | 1200 × 1200 × 850 | 1219 | 864 | 889 | 787 |
| 48 × 48 × 32 | 1200 × 1200 × 800 | 1219 | 813 | 889 | 787 |
| 48 × 48 × 30 | 1200 × 1200 × 750 | 1219 | 762 | 889 | 762 |
| 48 × 48 × 28 | 1200 × 1200 × 700 | 1219 | 711 | 889 | 762 |
| 48 × 48 × 26 | 1200 × 1200 × 650 | 1219 | 660 | 889 | 762 |
| 48 × 48 × 24 | 1200 × 1200 × 600 | 1219 | 610 | 889 | 737 |
| 48 × 48 × 22 | 1200 × 1200 × 550 | 1219 | 559 | 889 | 737 |
ОБЩЕЕ ПРИМЕЧАНИЕ: Все размеры указаны в миллиметрах.
ПРИМЕЧАНИЕ:
(1) Размер выходного отверстия M для трубопроводов размером NPS 14 (DN 350) и более рекомендуется, но не является обязательным.
Определите размеры трубопровода: Определите номинальный диаметр (NPS) основного трубопровода и требуемый номинальный диаметр ответвления(ий).
Определите толщину стенки: Согласуйте толщину стенки фитинга с толщиной стенки трубы. Для нержавеющей стали обычно указывается стандарт ASME B36.19 и обозначение толщины стенки.
Обратитесь к таблице: Используйте таблицу, чтобы найти критический размер от центра до конца (C) для вашего размера трубопровода. Это важно для изометрических чертежей трубопроводов и изготовления секций.
Укажите все параметры полностью: Правильная спецификация должна выглядеть так: «Тройник сталь переходной ASME B16.9, 6″ NPS x 6″ NPS x 4″ NPS, Schedule 40, нержавеющая сталь 316/316L, кованый». Для крестовина сталь переходные: «крестовина сталь переходные ASME B16.9, 8″ NPS x 8″ NPS x 6″ NPS x 6″ NPS…»
В случае сомнений проконсультируйтесь с техническими специалистами вашего надежного поставщика.